Izdelki
DIN standardni zaporni ventil z mehom
  • DIN standardni zaporni ventil z mehomDIN standardni zaporni ventil z mehom

DIN standardni zaporni ventil z mehom

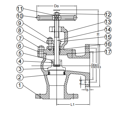
Sklop stebla zapornega ventila z mehom ima meh za nepredušno tesnjenje, struktura pa je bolj kompaktna. Meh se nahaja znotraj zatesnjenega zapornega ventila s standardnim mehom DIN, njegov spodnji del pa je privarjen s steblom in je izdelan iz nerjavečega jekla, ki učinkovito izolira korozijo sistemske tekočine na steblu. Zgornji konec meha je stisnjen med pokrovom ventila in ohišjem ventila, da tvori dolgotrajno in zanesljivo tesnilo.

Uporaba: sistem vročega olja, parni sistem, sistem tople in hladne vode itd.

Tehnična specifikacija

Standard konstrukcije: DIN 3356

Dimenzija: DIN 3202

Konci s prirobnico: DIN 2543-2545

Test in pregled: DIN 3230

Glavne prednosti krožnih ventilov z mehom:

1.Tesnilno jedro kovinskega meha

Ključ do ventila z mehom po standardu DIN je v njegovem kovinskem mehu. Ta komponenta uporablja postopek samodejnega varjenja z valji za oblikovanje dinamičnega tesnila med pokrovom ventila in steblom ventila, kar učinkovito preprečuje uhajanje medija iz dela stebla ventila.


2. Konična poenostavljena oblika diska

Edinstven stožčasti disk s poenostavljeno zasnovo kanalov ne zagotavlja le odlične zanesljivosti tesnjenja, ampak tudi bistveno izboljša življenjsko dobo diska.


3. Garancija dvojnega tesnila za pakiranje meha

Inovativni meh in kombinirana tesnilna struktura. Meh kot glavno tesnilo za izolacijo medija; Embalaža deluje kot sekundarno tesnilo, ki zagotavlja dodatno plast zaščite in skupaj ustvari vrhunsko tesnilno pregrado.


4.Integrirana zasnova šob za vbrizgavanje olja

Opremljen z namensko šobo za vbrizgavanje olja, lahko neposredno maže in vzdržuje ključne gibljive dele, kot so steblo ventilov, matice stebla ventila in vodilne puše, s čimer zmanjša obrabo in zagotovi nemoteno delovanje.


5. Ergonomsko upravljanje ročnega kolesa

Optimiziran dizajn ročnega kolesa je v skladu z ergonomskimi načeli, zaradi česar je lahek in prihrani delo, učinkovito zmanjša delovno intenzivnost in izboljša vzdržljivost samega ročnega kolesa.

Hot Tags: DIN standardni zaporni ventil z mehom
Pošlji povpraševanje
Kontaktne informacije
Za poizvedbe o ventilu Butterfly, preverjanju ventila, krogličnega ventila ali ceniku, nam pustite svoj e -poštni naslov in v 24 urah bomo v stiku.
X
Piškotke uporabljamo, da vam ponudimo boljšo izkušnjo brskanja, analiziramo promet na spletnem mestu in prilagodimo vsebino. Z uporabo te strani se strinjate z našo uporabo piškotkov. Politika zasebnosti
Zavrni Sprejmi